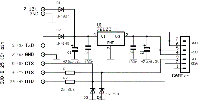
Toolpac was not developed by me and I can take no credit for it. However, none of the links now work on the the developers web site and I couldn't find it anywhere else on the net so I'm making it available here as I have had so many emails asking if I have a copy. You do not need specialist electronics knowledge and tools to make it - just a soldering iron. You can order the components from Farnell, RS Online or similar as they are widely available and it'll cost you a fraction of the price.
ToolPac is designed to work through the serial or parallel port of your PC. On the face of it this presents an issue for modern equipment that often lacks these ports and instead uses USB. However, this is easily solved, and the software will work through USB with a simple "USB to COM" or "USB to Parallel" cable/adapter. This cable or adapter can be bought for around £7 from Ebay, so it is extremely cheap. This adapter will create a virtual COM port on your PC that you use in exactly the same way as if you had a real COM port. You then just plug this adapter into the ToolPac interface you have built and direct the ToolPac software to point at your virtual COM port in the same way as if you had a real COM port. That's it, your ToolPac will now work with your USB port - no special skills required!